Mitsubishi Geared Motor GM-DYFB-RH
Home > Power Transmission > Mitsubishi > Geared Motor > GM-DY >
3.7kw 1/10 1/15 1/20 weight 90kg

3.7kw 1/25 1/30 1/40 1/50 1/60 weight 120kg

3.7kw 1/80 1/100 weight 155kg

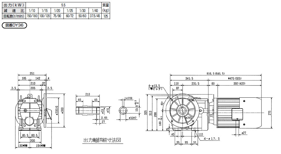
5.5kw 1/10 1/15 1/20 1/25 1/30 1/40 weight 125kg

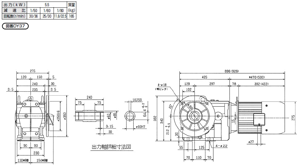
5.5kw 1/50 1/60 1/80 weight 165kg

7.5kw 1/10 1/15 1/20 weight 130kg

7.5kw 1/25 1/30 1/40 1/50 1/60 weight 165kg

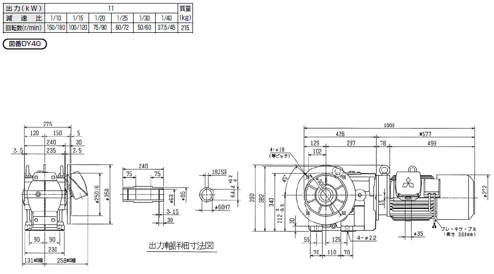
11kw 1/10 1/15 1/20 1/25 1/30 1/40 weight 215kg
Related products