Mitsubishi Geared Motor GM-SS 0.4KW
Home > Power Transmission > Mitsubishi > Geared Motor > GM-S >
Mitsubishi Geared Motor GM-SS 0.4kw 1/3 1/5 1/10 1/15 1/20 1/25 1/30 weight 10.5kg

0.4kw 1/40 1/50 weight 12kg

0.4kw 1/60 1/80 1/100 weight 13.1kg

0.4kw 1/120 1/160 1/200 weight 25kg

0.4kw 1/270 1/360 1/450 weight 39kg

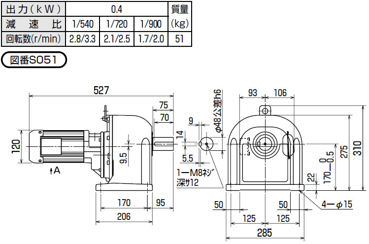
0.4kw 1/540 1/720 1/900 weight 51kg

0.4kw 1/1200 weight 51kg
.