Mitsubishi Geared Motor GM-SYF-RH
Home > Power Transmission > Mitsubishi > Geared Motor > GM-SY >
0.1kw 1/7.5 1/10 1/12.5 1/15 1/20 1/25 1/30 1/40 1/50 1/60 weight 6.2kg

0.2kw 1/7.5 1/10 1/12.5 1/15 1/20 1/25 1/30 weight 6.5kg

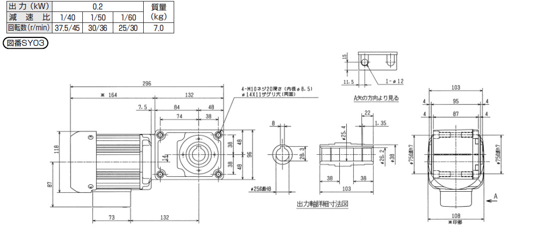
0.2kw 1/40 1/50 1/60 weight 7.0kg

0.4kw 1/7.5 1/10 1/12.5 1/15 1/20 1/25 1/30 weight 10kg

0.4kw 1/40 1/50 1/60 weight 11kg

0.75kw 1/7.5 1/10 1/12.5 1/15 1/20 1/25 1/30 weight 13.5kg

0.75kw 1/40 1/50 1/60 weight 19kg

1.5kw 1/7.5 1/10 1/12.5 1/15 1/20 1/25 1/30 weight 26kg

2.2kw 1/7.5 1/10 1/12.5 1/15 1/20 1/25 1/30 weight 30kg
Related products