Sanso Line pump PBGZ
Home > Fluid Machinery > Pump > Sanso Pump > Line Pump >
Sanso Line pump PBGZ
20 PBGUZ - 331 A · B 20 PBGUZ - 541 A · B 20 PBGUZ - 531 A · B 20 PBGUZ - 1031 A · B 20 PBGUZ - 1033 A · B PBGZ - 2031 B
50Hz · 60Hz common type
Features
● The water contacting part of the pump section uses gunmetal, stainless steel, resin material for red water countermeasures.
● Since the bearing part is isolated from the outside air, it has a long service life.
		
please note
		* Use of "deteriorated antifreeze" or "antifreeze that extremely increases in viscosity when used at low temperature" may cause poor pump rotation or liquid leakage. 
		When using the standard specification in antifreeze circulation, please specify the following form. (Mechanical seal changed item)
| Standard specification | Antifreeze specification | 
|---|---|
| 20PBGUZ-331A | 20 PBGUZ - 331 A - C | 
| 20PBGUZ-541A | 20 PBGUZ - 541 A - C | 
| 20PBGZ-531A | 20PBGZ-531A-C | 
| 25PBGZ-1031A | 25PBGZ-1031A-C | 
| 25PBGZ-1033A | 25PBGZ-1033A-C | 
※ Please contact us for mechanical change of 60Hz model change.
Characteristic
		
specification
■ 50 Hz
		
■ 60 Hz
		
Exploded view
		
		
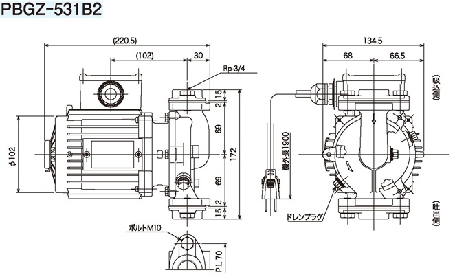
Dimensional drawing
		
		
.