Sanso Circulation pump PSPZ medium size
Home > Fluid Machinery > Pump > Sanso Pump > Circulation pump >
Sanso Circulation pump PSPZ medium size
50 PSPZ-15033 A · B-E 3 50 PSPZ-22033 B-E 3 80 PSPZ-150233 A · B-E 3 80 PSPZ-22023 A · B-E 3
A = For 50 Hz B = 60 Hz
Features
● Ultra low noise (50 caliber)
		By improving the structure inside the pump, ultra-low noise of up to 15 db (A) lower than our conventional product is realized in all new series. 
		※ When you reduce 10 db (A), the actual audible sound (SONE) is halved.
High efficiency (50 caliber)
By integrally optimizing design of the motor and pump, we realized high efficiency of up to 47% improvement in pump efficiency than our previous product, and reduced power consumption by up to 56%.
● Long service life · High reliability
The material with excellent corrosion resistance is used for the wetted part, the improvement of the shaft seal part improves the reliability of the mechanical seal, and the reliability against water leakage in the unlikely event has improved sharply.
● High maintenance
Improved maintainability because it has a structure that makes it easy to fix the shaft when detaching the impeller for mechanical seal replacement. All models are fully closed outside fan-out type motors.
Characteristic
■ 50 Hz
		
■ 60 Hz
		
specification
■ 50 Hz
		
■ 60 Hz
		
Exploded view
		
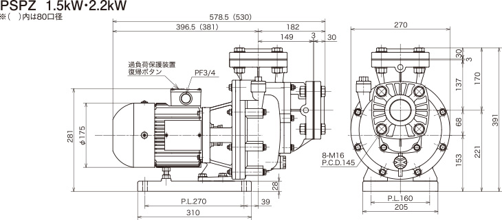
Dimensional drawing
		
.