Hasegawa gear reducer DS
Home > Power Transmission > Hasegawa >
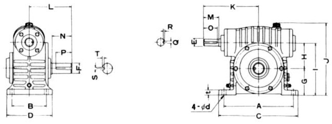
Hasegawa gear reducer DS


| 型番 | 減速比 | 取付ベース | 出力軸 | 入力軸 | G | H | I | J | K | L | φd | t | 質 | オイル | |||||||||||
| 量 | 定量 | ||||||||||||||||||||||||
| A | B | C | D | φF | N | P | S | T | φE | M | O | Q | R | (kg) | (l) | ||||||||||
| D43 | 10 20 30 | 115 | 50 | 137 | 70 | 15 | 33 | 30 | 5 | 3 | 12 | 30 | - | - | - | 50 | 43 | 93 | 140 | 94 | 86 | 10 | 10 | 4 | 0.2 |
| 40 50 60 | |||||||||||||||||||||||||
| D55 | 10 20 30 | 150 | 50 | 170 | 80 | 20 | -45 | 40 | 5 | 3 | 16 | 40 | - | - | - | 75 | 55 | 130 | 180 | 130 | 105 | 10 | 10 | 7 | 0.4 |
| 40 50 60 | |||||||||||||||||||||||||
| D70 | 10 20 30 | 210 | 90 | 240 | 120 | 25 | 50 | 45 | 7 | 4 | 18 | 45 | 40 | 5 | 3 | 90 | 70 | 160 | 225 | 150 | 135 | 14 | 14 | 14 | 0.5 |
| 40 50 60 | |||||||||||||||||||||||||
| D78 | 10 20 30 | 220 | 90 | 250 | 120 | 28 | 50 | 45 | 7 | 4 | 20 | 45 | 40 | 7 | 4 | 90 | 78 | 168 | 226 | 165 | 135 | 14 | 15 | 17 | 0.7 |
| 40 50 60 | |||||||||||||||||||||||||
| D85 | 10 20 30 | 230 | 90 | 265 | 120 | 30 | 60 | 50 | 10 | 4.5 | 25 | 50 | 45 | 7 | 4 | 100 | 85 | 185 | 255 | 178 | 142 | 14 | 15 | 23 | 1 |
| 40 50 60 | |||||||||||||||||||||||||
| D92 | 10 20 30 | 270 | 140 | 300 | 170 | 35 | 70 | 60 | 10 | 4.5 | 25 | 55 | 50 | 7 | 4 | 110 | 92 | 202 | 272 | 185 | 162 | 14 | 18 | 30 | 1.2 |
| 40 50 60 | |||||||||||||||||||||||||
| D102 | 10 20 30 | 280 | 140 | 320 | 180 | 40 | 80 | 65 | 10 | 4.5 | 28 | 60 | 55 | 7 | 4 | 110 | 102 | 212 | 285 | 220 | 175 | 18 | 22 | 38 | 1.5 |
| 40 50 60 | |||||||||||||||||||||||||
| D125 | 10 20 30 | 310 | 160 | 350 | 200 | 45 | 90 | 80 | 12 | 4.5 | 28 | 60 | 55 | 7 | 4 | 150 | 125 | 275 | 365 | 240 | 200 | 18 | 24 | 58 | 2 |
| 40 50 60 | |||||||||||||||||||||||||
| D150 | 10 20 30 | 330 | 200 | 380 | 240 | 50 | 100 | 80 | 12 | 4.5 | 32 | 70 | 60 | 10 | 4.5 | 170 | 150 | 320 | 410 | 265 | 225 | 18 | 28 | 87 | 3.5 |
| 40 50 60 | |||||||||||||||||||||||||
| D175 | 10 20 30 | 420 | 240 | 480 | 300 | 60 | 120 | 90 | 15 | 5 | 35 | 70 | 60 | 10 | 4.5 | 190 | 175 | 365 | 490 | 290 | 270 | 22 | 28 | 145 | 6 |
| 40 50 60 | |||||||||||||||||||||||||
| D200 | 10 20 30 | 440 | 240 | 500 | 300 | 65 | 130 | 120 | 18 | 6 | 40 | 80 | 70 | 10 | 4.5 | 220 | 200 | 420 | 550 | 325 | 300 | 22 | 30 | 184 | 8 |
| 40 50 60 | |||||||||||||||||||||||||
.